XRNT-40.5 full range high voltage current limiting fuse is for transformer protection, it suitable for power system of rated AC frequency 50HZ, rated voltage 40.5KV . As a power transformer and other power equipment overload and short circuit protection element. They are mainly installed in the American box transformer oil, with the transformer, load switch box, and will not produce any pollution to the transformer oil. The backup melt inside the fuse will break the short-circuit current when the short-circuit current passes through the fuse. The overload melt and backup melt are installed in series in the fuse casing inside the high voltage current limiting fuse. When the overload current exceeds the specified value for a certain time, the overload melt inside the fuse is melted and the circuit is cut off. The product is widely used in wind power generation, solar power generation, tidal power generation and other equipment distribution protection, this fuses can be equipped with fuses action trigger device, for the control system to break the circuit or send fuses and other indicating signals. The product is convenient to replace the fuse, the time current characteristic curve is stable, the error is only plus or minus 10%, the current limiting characteristic is remarkable, the minimum breaking current is 2 times of the rated melt current, the maximum breaking short-circuit current capacity can reach 31.5KV.

1. Working conditions : a, The ambient temperature is not higher than +40 degrees Celsius and not lower than -40 degrees Celsius.
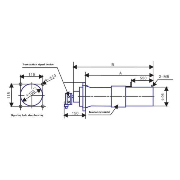
b, Elevation between 1000m and 4000m, as shown in below table . | Model number | Product applicable altitude (m) | A | B |
| XRNT-40.5Q/(25-63)-31.5-1 | 2000 meters or less | 1200 | 1290 |
| XRNT-40.5Q(25-63)-31.5-2 | 2000 meters - 3000 meters | 1300 | 1390 |
XRNT-40.5Q(25-63)-31.5-3 | 3000 meters - 4500 meters | 1400 | 1490 |
c, The relative humidity should not be more than 90% of the daily average.
d, The surrounding air should be free from corrosive gas or flammable gas pollution.
e, The fuse outer barrel can withstand the leakage of transformer oil at 105 degrees Celsius for a long time. 2. The fuse rated current and transformer capacity can be selected according to the below table : | Transformer capacity (kVA) | Fuse model number | Rated current of fuse (A) |
| 1000 | XRNT-40.5/ XRNT-31.5 (X is Altitude code) | 31.5 |
| 1250 | 40 |
| 1600 | 50 |
| 2000 | 63 |
| 2350 | 80 |
| 2500 | 100 |
3. See below table for the insulation level of fuses: | Rated current (KV) | Rated peak lightning impact withstand voltage (positive and negative) KV | Rated 1 min power frequency withstand voltage (effective value) KV |
| 40.5 | To the ground and Interphase | Fracture | To the ground and Interphase | Fracture |
190 | 220 | 95 | 110 |
4. Fuse structure:

5. Time & current characteristic curve of XRNT-40.5Q


Xi 'an Wuhuan Special Fuse Co., Ltd. is a high-technology manufacturer company established by Wuhuan Electric Group in Xi 'an, Shaanxi Province, China's high voltage electric production base in 2000. It Mainly engaged in the development, design, manufacture, sales and service of fuses and other high voltage appliances. The main products of the company are high-voltage current limiting fuses, which are used in indoor 50HZ/60HZ power systems with rated voltage of 3.6-40.5KV. As American power transformer, Europe type power transformer, high voltage motor, voltage transformer, power capacitors and other electric equipment overload and short circuit protection, and in other appliances such as: load switch, vacuum contactor etc, protection circuit and complete sets of electrical equipment from damage by excessive overload current and short circuit current. The company has high-quality technical personnel, professional fuse manufacturing and testing equipment and advanced modern enterprise management concept, its product categories, production scale and sales revenue are growing at a high speed. Wuhuan Company implements ISO9001:2000 quality system standard, uses MCAD development and design, with the help of Intuitive ERP and advanced testing equipment to ensure the reliability of production and high quality products. All the products have passed the type test of the national high voltage electrical apparatus quality supervison and inspection center ,and are in line with the national GB/T15166.2 standard and IEC60282 standard of the International Electrotechnical Commission.
New products:
SDLDJ and SFLDJ & SDMDJ full-range protection high-voltage current limiting fuses developed by our company are mainly used for overload and short-circuit protection of domestic power generation transformers. This series of products complete specifications, rated current up to 100A, products have passed the national high voltage electrical quality supervision and inspection center type test.
Quality standards of the company:
We fully implement GB/T15166.2 and IEC60282(International Electrotechnical Commission) technical standards, product quality in line with the British BS standard, German DIN standard. Rigorous design, advanced technology, timely service, the company's quality system for the implementation of the quality policy to provide a full guarantee.
Our products:
1.High voltage fuse for overload protection of oil-immersed transformer
2.High voltage current limiting fuse for backup protection of oil-immersed transformer
3.High voltage current limiting fuse for power transformer protection
4.High voltage current limiting fuses for protection of 40.5kv transformer
5.High voltage current limiting fuse for full range protection of power transformer
6.High voltage current limiting fuse for protection of high voltage motor
7.High voltage current limiting fuse for vacuum contactor fuse (F-C) combination appliance
8.High voltage current limiting fuse for protection of voltage transformer
9.High voltage current limiting fuse for power capacitor protection
10.XRNT-15.5Q Full-range high-voltage current limiting fuse for transformer protection (integral)
11.Full range high voltage current limiting fuse for XRNT-40.5Q transformer protection (integral)
1.Are you manufacture?
We are a professional factory with more than 10 years of experience,Our projects supplied to Airprot/Subway/Railway/power station.
2.What is your technical advantages?
Our engineers worked in the power distribution industry field for 20~30 years.In particular, in non-standard customization of electric field, High altitude, non-standard voltage frequency field.
3.What is your price advantages?
we have 5 branch factories for electric components,all raw materials are one stop shopping,so we can save the value for you!
4.How about your quality advantage?
We are 100% guarantee the quality for 3 years.
5.How about your delivery time?
The delivery time with 7-10 working days after get your deposit. Our factory is located in Xi'an , China. In terms of quality and strength, we are both ahead of the market . 6.We can accept payment way:
TT/LC/DP /STS ORDER